Нормы отопления в многоквартирных домах
Нормативы подачи тепла в многоквартирных домах установлены государством. В документации обозначены климатические условия, которые должны быть в холодное время года.
На основании этого определяется стоимость коммунальных услуг. Гражданам важно знать нормы, ведь так их никто не обманет.
Нормативные документы
Уровень отопления в квартирах регулируется следующей документацией:
- ГОСТ 30494-96. В нем зафиксированы уровни микроклимата в жилых домах. По нему определяются оптимальные и допустимые уровни;
- СП 23-101-2004. В документе указаны правила, которые должны учитывать строители при возведении дома. Это позволяет создать оптимальный микроклимат в жилье;
- СНиП 23-01-99. Определяет гигиенические правила;
- СНиП 31-01-2003. Устанавливает внутренний температурный уровень.

На основе этой документации определяются разные типы помещений.
Жилые дома относят к первой категории. Температура и влажность являются оптимальными только в том случае, если они создают условия для нормальной жизни человека.
Есть параметры, из-за которых возникает дискомфорт, но они считаются допустимыми. Температура воздуха должна быть равной +20 градусов и выше, а влажность не больше 80%.
Холод в квартире
Хоть в законе четко прописаны нормы отопления, все же в холодное время года от многих жильцов следуют жалобы по поводу холода. В чем же причина?
Это может быть связано с изношенностью инженерных коммуникаций. Оборудование вышло из строя и уже не выполняет прежних функций. Во многих помещениях его не меняют, а просто ремонтируют.
В этом случае поможет выполнение капитального ремонта центральных теплосетей. Но жильцы не решают эти вопросы.
Есть и другой способ устранения проблемы – включение в многоквартирном доме дополнительных источников. Новейшей разработкой является отопление газовыми котлами и системой «теплого пола».
Читать еще: Как снизить кадастровую стоимость недвижимости: пошаговая инструкция
Что установлено в нормативах
В законодательстве по отношению к отоплению указаны следующие данные:
- Сезон отопления начинается со снижением среднесуточной уличной температуры до +8 градусов. Если это наблюдается около 5 суток, то необходим обогрев помещения. Заканчивается отопительный сезон с повышением температуры до +8;
- Минимальная температура устанавливается по типу помещения. Ее определение должно выполняться в каждой комнате. Термометр располагается за 1 метр от стен и 1,5 метра от пола;
- Горячая вода должна поступать в дом в течение года, а ее температура должна быть от +50 до +70. Отклонения возможны только на 4 градуса. Если эти правила нарушаются, то жильцы имеют право на уменьшение коммунальных платежей на 0,15 %.
Гражданам нужно написать заявление по поводу снижения температуры воды или отопления. Его подают в контролирующую организацию. По факту проверки составляется акт. Нарушения должны быть устранены в течение 7 дней.
В законодательстве прописывается обязанность компаний по подаче тепла на протяжении отопительного периода. Авария не может продолжаться больше 16 часов. В это время температура должны быть в норме.
Принципы стандартов

Законы устанавливают нормы, которые должны соблюдаться коммунальными организациями. Руководители региона могут вносить изменения на основе климата. Это устанавливается местными властями с помощью соответствующих документов.
Что делать, если стандарты не выполняются в многоквартирном доме? У жильцов есть право обращения в контролирующие организации.
Сейчас действует законопроект, по которому определены максимальные индексы тарифов. Это устанавливается из различных факторов, в том числе и от местных условий.
Нормативы есть не только на отопление в доме но и на влажность. Этот показатель может меняться в квартире по различным факторам, к примеру, из-за нарушения функционирования вентиляции. Проблема должна решаться коммунальными учреждениями.
В зимнее время влажность должна быть в пределах 30-45%, но допустимо 60%. А нормы температуры +18+24 градусов. Норм на влажность нет в кухне и ванной, поскольку эти помещения имеют эксплуатационные особенности.
Расчет тепла
Зная принципы расчета, можно определить стоимость за отопление в доме. Правила устанавливаются администрацией населенного пункта на основе стандартов. Именно они, используются для установления суммы оплаты.
Читать еще: Ограниченная материальная ответственность
Нормативные правила обычно действуют около 3 лет. Если происходит повышение, то это обязательно обоснуется. Коммунальная служба обращается в администрацию по поводу повышения стоимости отопления. Если предложение соответствует реальности, то тарифы повышаются.
Правила подачи тепла устанавливаются в гигакаллориях. В расчете учитывается:
- Климат;
- Средние параметры температуры;
- Вид помещения;
- Материалы;
- Качество инженерных сооружений.

Если раньше плата с жильцов бралась только за потраченные ресурсы, то сейчас действуют общедомовые нужны. Теперь приходится оплачивать отопление подъездов, подвалов. Платежи являются обязательными для всех.
У каждого жильца есть право снижения затрат. Для этого нужно утеплить квартиру и установить свой счетчик. В этом случае плата будет взиматься только за лично потраченные ресурсы.
Устанавливать оборудование могут те организации, которые имеют на этот вид работы лицензию. Прибор подвергается пломбировке контролирующими компаниями.
Измерение температуры теплоносителя
Система отопления работает от горячей воды. Именно она считается теплоносителем. Для самостоятельного измерения температуры в стакан нужно набрать горячую воду и поместить в нее градусник. Температура должны быть в пределе 50-70 градусов.
Есть и другие методы измерения отопления. Определение температуры выполняется около труб или радиаторов.
Для этого используется инфракрасный термометр-пирометр. Подойдет спиртовой термометр, который надо положить на трубу и накрыть утеплителем.
Существует более сложное оборудование – электрический термометр. Его прикладывают к трубе, крепят и выполняют замер. Каждый прибор имеет шкалу отклонений.
Виды радиаторов
Часто для улучшения отопительной системы требуется замена радиаторов. При покупке необходимо учитывать следующие нюансы:
- Для многоэтажных домов лучше выбрать чугунный радиатор. Устройство не портится от плохой воды. Приборы устойчивы к давлению и гидроударам;
- Для таких домов подходят биметаллические радиаторы. Прибор изготовлен из стали, алюминия и меди. Оборудование защищено от ударов и коррозии;
- К закрытым системам лучше выбрать алюминиевый радиатор. Прибор имеет оригинальный дизайн и высокую теплоотдачу. Из-за низкой инертности его используют вместе с терморегуляцией;
- Качественными являются стальные радиаторы. Они немного весят и имеют необычный дизайн.
Читать еще: Как открыть наследственное дело без завещания по законам РФ?
Отопительные системы меняются компетентными организациями. Прежде чем выбирать оборудование, необходимо посоветоваться по поводу того, какое подойдет для дома.
После этого выполняется проверка работоспособности системы. Во время капитального ремонта можно сразу установить счетчики. Это позволит контролировать расходы по коммунальным платежам.
- В здании отсутствуют приборы для учета (нет ни общего, ни индивидуального счетчика потребления тепла), при этом их нельзя установить из-за конструктивных особенностей системы отопления или иных объективных причин. Формула выглядит следующим образом: Pi = Si x N T x T t , где Pi— это плата, Si– площадь жилья, N T – установленный норматив потребления тепловой энергии, а T t – принятый тариф. К примеру, если жилье имеет площадь 45 кв. метров, в области принят норматив 0,018 гигакалорий на 1 кв. м., а тариф равен 1950 рублей за 1 гигакалорию, собственнику придется платить 1579,50 рублей, если оплачивается только период работающего отопления.
- В доме установлен общий счетчик (ОПУ), а приборы индивидуального учета отсутствуют или стоят не во всех помещениях. Формула выглядит следующим образом:
, где V д – это показания общедомового счетчика, Si – площадь конкретной квартиры, Sоб– общая площадь помещений в здании, а T Т – действующий тариф. К примеру, если общедомовой прибор насчитал за месяц 170 гигакалорий, площадь квартиры 45 кв.м., общая площадь помещений в многоквартирном доме 7100 кв.м., а областной тариф 1950 рублей за гигакалорию, то после расчета по формуле собственнику придется заплатить 2101,06 рублей. Учитываются расчеты тепла только за отопительный сезон. - В доме установлены как ОПУ, так и ИПУ. Формула расчета следующая:
. В ней Vi n – показания индивидуальных или общих приборов учета,
– затраты тепла на общедомовые нужды,
– площадь квартиры,
– общая площадь помещений,
– установленный тариф.
По последней формуле расчет будет проводиться следующим образом. К примеру, квартирный счетчик за месяц обогрева показал 1,2 Гкл, общедомовой счетчик – 65 Гкл, все ИПУ в доме суммарно показали 53 Гкл. 65 – 53 = 12 Гкл – расход на общедомовые нужды. Общая площадь помещений в доме – 6000 кв.м., площадь квартиры – 62 кв.м. В области установлен тариф 1600 руб. за 1 Гкл. После расчета по формуле получится, что всего за месяц отопительного сезона собственник квартиры заплатит 2118,40 руб.
Замеры поставленной тепловой энергии управляющая компания обязана производить ежемесячно с помощью установленных счетчиков. А вот определение размеров ежемесячной платы поставщик энергии производит один раз в год.
Правила оплаты отопления
Пункт 42.1 Постановления №354 предлагает два способа оплаты тепловой энергии:
- В течение периода, когда работает отопление.
- Круглогодично, в течение всего года.
При этом выбор способа оплаты или смена одного способа на другой является прерогативой органа государственной власти в субъекте РФ. Ни местные органы самоуправления, ни коллективное собрание жильцов, ни управляющая компания не могут по собственному решению поменять систему расчета оплаты.
Если еще остались спорные вопросы, вы также можете бесплатно проконсультироваться в чате с юристом внизу экрана или позвонить по телефонам: +7 (499) 938-41-00 Москва; +7 (812) 467-41-55 Санкт-Петербург; +7 (800) 350-84-13 доб.480 Бесплатный звонок для всей России.
Решение о смене способа может приниматься только один раз в год, до первого октября. Если было принято решение о введении оплаты в круглогодичном режиме, оно вступает в силу с первого июля следующего года. Если было решено взимать плату с началом отопительного сезона, срок вступления решения в силу совпадает с датой начала отопительного периода в будущем году.
Действия в случае несоблюдения норм отопления
Что же делать, если в квартире слишком холодно или слишком жарко? Если наблюдается явное отклонение температур от оптимального температурного режима, жилец может самостоятельно или совместно с соседями пригласить работников УК для проведения замеров. Управляющая компания должна реагировать на каждое обращение жильцов, проводя измерения по первому требованию.
Если обращение в управляющую компанию не произвело должного эффекта и не привело к улучшению ситуации, потребитель должен обращаться с жалобами в местные органы жилищной инспекции и Роспотребнадзора. Последним шагом в борьбе за комфортные условия проживания является обращение в суд с иском к управляющей компании.
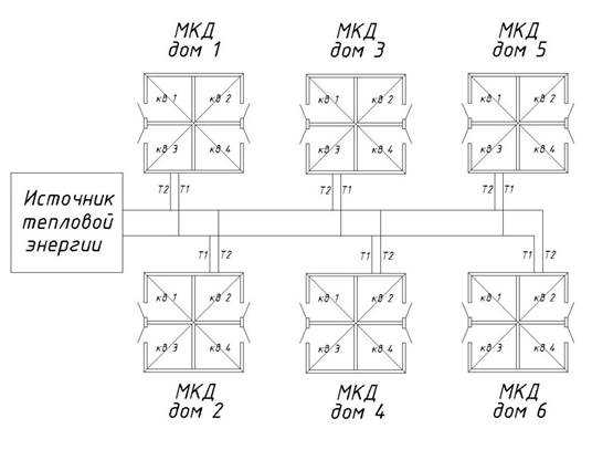
Теплоснабжение многоквартирного дома (МКД)
Система теплоснабжения – одна из центральных инженерных систем любого многоквартирного жилого дома. Подобные системы можно классифицировать по:
· Месту расположения источника тепла;
· Способу организации ГВС (горячего водоснабжения);
· Способу подачи теплоносителя в систему отопления.
Классификация систем теплоснабжения МКД по расположению источника тепла
По месту расположения источника тепловой энергии системы теплоснабжения делятся на:
Централизованные системы теплоснабжения
В подобных системах теплоснабжения источником тепла могут быть:
· Котельные, работающие для одного или нескольких зданий.

Рис. 1. Принципиальная схема централизованной системы теплоснабжения
Контроль потребленной тепловой энергии в централизованной системе теплоснабжения производится с помощью узла учёта, который установлен на границе балансовой принадлежности тепловой сети. Часто для МКД граница расположена на вводе сети в дом.
Централизованная система теплоснабжения включает в себя:
· Трубопроводы отопления и ГВС (полимерные или металлические);
· Запорную и запорно-регулирующую арматуры;
· Отопительные приборы: радиаторы, конвекторы, регистры;
· Фильтры, грязевики, манометры, термометры;
· Узлы управления системой отопления и ГВС;
· Расширительные баки необходимого объема;
· Узел учета тепловой энергии;
· Систему подпитки и очистки воды;
· Щиты автоматики и электрические щиты.
Местные децентрализованные системы теплоснабжения
В данном типе систем теплоснабжение каждого здания происходит от отдельного источника – котельной.

Рис. 2. Принципиальная схема местной децентрализованная система теплоснабжения
В местной децентрализованной системе теплоснабжения узел учета на вводе в дом не устанавливается. Вместо него устанавливают узел учета потребленного газа на весь дом целиком.
Такая система состоит из двух частей:
· Инженерной системы здания (систем отопления и ГВС);
· Оборудования в котельной.
В состав инженерной системы дома входят:
· Трубопроводы отопления и горячего водоснабжения;
· Запорная и запорно-регулирующая арматуры;
· Отопительные приборы: радиаторы, конвекторы, регистры;
· Фильтры, гидрострелки, грязевики, манометры, термометры;
· Узлы управления системой отопления и ГВС;
В состав оборудования котельной входят:
· Котел или группа котлов;
· Расширительные баки необходимого объема;
· Контрольно-измерительные приборы: манометры, термометры;
· Узел учета газа;
· Система подпитки и очистки воды;
· Щиты автоматики и электрические щиты;
· Газовые трубопроводы и оборудование;
· Системы сигнализации и защиты.
Индивидуальные децентрализованные системы теплоснабжения
В индивидуальных децентрализованных системах теплоснабжения помещения или группа помещений (квартир) снабжаются теплом от отдельного источника – чаще всего котла. При этом узел учета потребленного газа устанавливается в каждой квартире.

Рис. 3. Принципиальная схема индивидуальной децентрализованной системы теплоснабжения
Индивидуальная децентрализованная система теплоснабжения состоит из:
· Настенного котла (газового или электрического);
· Полимерных (из полипропилена или металлопластика) или стальных трубопроводов;
· Отопительных приборов (радиаторов, конвекторов, регистров) с запорно-регулирующей арматурой;
Классификация систем теплоснабжения по способу организации систем отопления
По способу организации систем отопления в МКД системы теплоснабжения подразделяются на:
Зависимые системы теплоснабжения – системы, в которых вода нагревается и поставляется в систему отопления и ГВС напрямую, то есть в радиаторах отопления и в кранах – одна и таже.

Рис. 4. Зависимая система теплоснабжения
Независимые системы теплоснабжения – системы, в которых теплоноситель в тепловых сетях отдает тепло внутренней системе отопления многоквартирного дома через пластинчатый теплообменник.

Рис. 5. Независимая система теплоснабжения
Классификация систем теплоснабжения по способу организации ГВС (горячего водоснабжения)
В такой классификации системы теплоснабжения подразделяются на:
Закрытые системы теплоснабжения – вода на горячее водоснабжение забирается из водопровода и нагревается через теплообменник сетевой водой.

Рис. 6. Закрытая система теплоснабжения
В открытой системе теплоснабжения вода на ГВС забирается непосредственно из тепловой сети.

Рис. 7. Открытая система теплоснабжения
Правила и нормативы, применяемые в системах теплоснабжения МКД
Организация системы теплоснабжения многоквартирного здания жестко регламентируется законодательными актами и нормами СанПиН.
Так, согласно СанПиН 2.1.4.2496-09:
«Температура горячей воды в местах водоразбора независимо от применяемой системы теплоснабжения должна быть не ниже 60 °С и не выше 75 °С».
Температура горячей воды должна быть более 60 градусов Цельсия для ее дезинфекции от вирусов и бактерий, которые могут выживать при меньших показателях температуры, но погибают при значениях выше этой цифры.
С другой стороны, использование воды, нагретой выше 75 градусов – недопустимо, поскольку может привести к ожогам.
1. Система отопления должна обеспечивать нормативную температуру воздуха:
a. в жилых помещениях — не ниже +18 °С (в угловых комнатах +20 °С);
b. в районах с температурой наиболее холодной пятидневки -31 °С и ниже от +20°С (в угловых комнатах от +22°С);
c. в других помещениях, в соответствии с требованиями законодательства Российской Федерации о техническом регулировании.
2. Система отопления должна обеспечивать допустимое превышение нормативной температуры не более 4 °C;
3. Допустимое снижение нормативной температуры в ночное время суток (от 0.00 до 5.00 часов) — не более 3°C;
4. Снижение температуры воздуха в жилом помещении в дневное время (от 5.00 до 0.00 часов) не допускается.
Ремонт и обслуживание систем теплоснабжения
В зависимости от источника теплоснабжения, ремонт и обслуживание систем теплоснабжения многоквартирного здания производится по-разному.
При централизованной системе теплоснабжения ежегодно производится техническое обслуживание, в которое входят следующие мероприятия:
· Гидравлические испытания тепловых узлов, тепловой сети, системы отопления, системы ГВС;
· Промывка системы отопления;
· Ревизия оборудования систем теплопотребления;
· Диагностика, ремонт и обслуживание узла учета тепловой энергии;
· Текущий ремонт систем теплопотребления;
· Промывка теплообменного оборудования.
При местной децентрализованной системе теплоснабжения:
· Обслуживание котельного оборудования;
· Гидравлические испытания тепловых узлов, системы отопления, системы ГВС;
· Ежегодная промывка системы отопления;
· Ревизия оборудования систем теплопотребления (проверка манометров, термометров, набивка сальниковых уплотнений на задвижках);
· Текущий ремонт систем теплопотребления (в соответствии с дефектными ведомостями);
· Промывка теплообменного оборудования;
· Осмотр и ревизия теплообменного оборудования, насосного оборудования;
· Подкачка давления в расширительном баке;
· Обслуживание и ремонт газового оборудования.
При индивидуальный децентрализованной системе теплоснабжения проводится комплекс работ необходимых для поддержания в эксплуатационном состоянии оборудования системы теплоснабжения:
· Проверка на герметичность системы отопления и ГВС;
· Проверка предохранительных клапанов;
· Подкачка давления в расширительном баке;
· Мониторинг насосного оборудования.
К обязательным мероприятиям в данном случае также относится обслуживание газового оборудования.
Тарифы и расчет за отопление нежилых помещений в МКД. Нормы температуры воздуха при подаче тепла в батареи
Помещения, имеющие статус нежилых, согласно законодательным нормам РФ выделены в отдельный вид недвижимого имущества. В отношении этих помещений иные правила пользования, владения, эксплуатации, техобслуживания и ресурсообеспечения, отличаются также регламент и обязанности, вменяемые собственнику и обслуживающим организациям, в том числе и в вопросе отопления нежилых помещений.
Дорогие читатели! Наши статьи рассказывают о типовых способах решения юридических вопросов, но каждый случай носит уникальный характер.
Если вы хотите узнать, как решить именно Вашу проблему — обращайтесь в форму онлайн-консультанта справа или звоните по телефону +7 (499) 938-47-82 . Это быстро и бесплатно !
Какие площади считаются отапливаемыми, являются ли таковыми пристроенные к зданию?
В соответствии с положениями главы 2 п.4 постановления Правительства РФ №354, вступившего в законную силу 6 мая 2011 года, отапливаемым признается нежилое помещение, в котором присутствуют соответствующие инженерные коммуникации и системы, предназначенные для подачи отопительных мощностей.
Отдельно выделяются также помещения общего пользования, например:
- лестничные площадки в МКД;
- цокольные этажи;
- подъезды и т.д.
Что такое общедолевая собственность и места общего пользования в МКД, а также обязаны ли собственники содержать их, читайте тут.
Эти помещения не отапливаются в том случае, если в нормативных документах они имеют статус нежилых. Если в документации указано иное, плату за отопление площадей общего пользования обязаны вносить все жители многоквартирного дома.
Какая температура воздуха должна быть в отопительный сезон: нормы
Температура, которая должна быть в нежилых помещениях по нормативам зимой и в иное время отопительного сезона, четко регламентирована положениями СанПиНа2.2.4.548-96 и составляет:
- От 18 до 26 градусов тепла (для коридоров).
- Для кладовых – 12-22 градусов.
- Для помещений, являющихся офисными или производственными – от 16 до 26 градусов Цельсия.
Расчет стоимости теплоснабжения в МКД
Стоимость отопления в ходе отопительного сезона рассчитывается по формуле, которая указана в ПП РФ №354. Согласно ей, чтобы узнать размер платы за отопление, необходимо:
- общую площадь помещения умножить на нормативный показатель потребления коммунальных услуг;
- затем полученный результат умножить на тариф, установленный законодательством РФ для тепловой энергии.
Данные, необходимые для расчета размера платы за отопление нежилого помещения, можно получить из следующих документов:
- Площадь нежилого помещения указывается в выписке из базы ЕГРН.
- Региональные нормативы за потребление услуг ЖКХ указываются в Постановлениях Правительства того региона, где находится помещение.
- Тарифы устанавливаются ресурсоснабжающими организациями, которые обслуживают указанный объект недвижимости на основании прибыльности и себестоимости единицы производимой продукции и указываются в договоре, который заключается между РСО и владельцем помещения.
Как заключить договор?
Процедура заключения соглашения о теплоснабжении нежилого помещения, содержание документа, а также прочие параметры, которые будут определять отношения собственника объекта недвижимости и ресурсоснабжающей организации, четко регламентирована нормами Постановления Правительства РФ №808 от 8 августа 2012 года.
Куда обращаться?
В соответствии с нормами п.1 статьи 15 ФЗ №190 от 29 июля 2018 года договор теплоснабжения должен быть заключен владельцем объекта недвижимости с той ресурсоснабжающей компанией, к фонду которой относятся теплоснабжающие установки, которые имеются в указанном нежилом помещении.
Какие документы нужны собственнику?
Собственник помещения должен направить в РСО следующий комплект документов:
- Заявление установленного образца на предоставление соответствующих услуг.
- Паспорт гражданина РФ.
- Регистрационные документы компании.
- Выписка из базы ЕГРН на указанное помещение.
- Документ, который подтверждает право заявителя представлять интересы компании (доверенность, приказ о назначении и т.д.).
- Акт, предоставленный организацией, которая проводила проверку опломбирования приборов учета и график будущих проверок.
Договор о теплоснабжении с РСО должен быть подписан перед оказанием коммунальных услуг в течение одного календарного месяца с того момента, как было зарегистрировано право собственности на указанное нежилое помещение.
Финансовые затраты на подготовку необходимого комплекта документов для подачи в РСО составят:
- Получение выписки из базы ЕГРН обойдется юридическому лицу в 350 рублей.
- Нотариальное заверение документов – от 1500 рублей (в зависимости от региона).
Содержание договора
В соответствии с положениями п.7 статьи 15 ФЗ №190 от 27 июля 2018 года договор теплоснабжения для единой теплоснабжающей компании является публичным.
Соглашение должно четко определять:
- Тот объем тепловой энергии и теплоносителя, который теплоснабжающая организация должна будет поставлять в дальнейшем, а также режим потребления тепловой энергии.
- Показатели качества теплоснабжения, а также величину теплопотребляющих установок, установленных в помещении потребителя.
- Должностных лиц, которые будут назначены ответственными за исполнение условий настоящего соглашения.
- Ответственность сторон в случае нарушения своих обязательств.
- Обязанности РСО по обеспечению надежности отопительной системы.
- Прочие условия, являющиеся существенными.
Также в тексте договора необходимо указать:
- Сведения о потребителе и РСО.
- Данные о помещении, в отношении которого заключается соответствующий договор.
- Предмет договора. Здесь должны указываться сведения о тарифах и нормативах, в соответствии с которыми будет производиться подача тепла.
- Порядок расчетов.
- Права и обязанности сторон договора, а также штрафные санкции за нарушение условий соглашения.
При определении тарифов исполнитель услуги ЖКХ должен учитывать, для каких целей используется помещение. Стоимость предоставления теплоснабжающих услуг определена ст. 8 ФЗ №190 от 27 июля 2010 года. Порядок определения тарифов, в свою очередь, определяется ПП РФ №1075 от 22 октября 2012 года.
В соответствии с положениями этого нормативного акта стоимость услуг ЖКХ складывается из следующих показателей:
- Инвестиционной затратности РСО.
- Себестоимости единицы продукции, производимой РСО.
- Цен конкурентов.
- Прибыльности ресурсоснабжающей организации.
Таким образом, тарифы определяются в индивидуальном порядке в зависимости от параметров самой компании, являющейся поставщиком тепла.
Также размер нормативов зависит от решения органов регулирования, которые устанавливают собственные тарифы для каждого из регионов РФ индивидуально.
Как рассчитывается плата за поданное в батареи тепло?
Размер платы, взимаемой за отопление нежилых помещений определяется ПП РФ № 354. Формула расчета выглядит так:
Расчет производится по указанной формуле в том случае, если в помещении не установлены приборы индивидуального учета тепловой энергии.
Рассмотрим процесс расчета на примере:
- Нежилое помещение площадью 120 квадратных метров находится на территории Москвы.
- Нормативные показатели потребления тепла определены ПП РФ №41 от 11.01.1994 года и составляют 0,016 Гкал на 1 квадратный метр. Соответственно, необходимо площадь имеющегося помещения умножить на норматив: 120 *0,016=1,92 Гкал.
- Тарифы на поставляемую тепловую энергию устанавливаются конкретными РСО, однако, должны находиться в пределах, установленных законодательством РФ. В среднем по Москве соответствующий тариф составляет 2199 рублей за 1 Гкал, а значит, 1,92*2199=4222,08 рублей.
- Таким образом, ежемесячная плата владельца нежилого помещения за отопление составляет 4222,08 рублей.
Как производится оплата?
Внести плату за предоставленные коммунальные услуги может любой гражданин вне зависимости от того, кто является владельцем указанного помещения. Больше о правилах оплаты коммунальных услуг за нежилое помещение читайте тут.
Способы оплаты:
- Через кассу банка. Чтобы внести плату таким образом, потребуется ввести в соответствующее поле уникальный код, состоящий из 10 цифр, с помощью которого плательщик будет идентифицирован.
- Через почтовые отделения. Процедура идентична оплате через банковскую организацию, но плательщику потребуется оплатить также дополнительную комиссию в размере 1,5% от суммы.
- Через устройства самообслуживания банков. Для этого потребуется открыть вкладку «Оплата услуг», ввести ИНН ресурсоснабжающей организации, указать свой индикационный код и период, за который вносится плата. На экране после нажатия кнопки «Далее» появится сумма, которая будет списана с карты плательщика. Если все данные указаны верно, следует нажать кнопку «Оплатить» и получить чек.
- Через интернет, воспользовавшись личным кабинетом обслуживающего банка или посетив сайт РСО.
Вопрос отопления нежилых помещений четко регламентирован Законодательством РФ. Такая недвижимость чаще всего является частью многоквартирного дома и имеет соответствующие инженерные коммуникации, а ее владельцы имеют такой же правовой статус, как и собственники жилых помещений. Владелец обязан также заключать договор с РСО, а затем в соответствии со статьей 157 ЖК РФ своевременно и в полном объеме вносить плату за предоставленные услуги.
Если вы нашли ошибку, пожалуйста, выделите фрагмент текста и нажмите Ctrl+Enter.
Не нашли ответа на свой вопрос? Узнайте, как решить именно Вашу проблему — позвоните прямо сейчас:
+7 (499) 938-47-82 (Москва)
+7 (812) 467-38-15 (Санкт-Петербург)
Норматив потребления тепловой энергии на отопление
Тарифы на коммунальные услуги ежемесячно увеличивают. Особенно заметно растет тариф на теплоэнергию. В оплате за канализацию и воду можно разобраться самостоятельно и проверить правильно ли вам сделали расчет. Но рассчитать стоимость отопления не так уж и просто. Жильцов волнует вопрос оплаты за тепло, так как в соседних домах жильцы получают квитанции с другими цифрами. Чтобы вас не обманули лучше самому разобраться в системе расчета теплоэнергии и ежемесячно сверять данные. В нашей статье рассмотрит нормативы оплаты тепла, а также расчет теплоэнергии.

Нормативы оплаты теплоэнергии
Нормативы на потребление коммунальных услуг, например водоснабжение или отопление считается относительно постоянной величиной. Тарифы утверждаются уполномоченными органами или ресурсоснабжающими организациями и не могут изменяться в течение трех лет. Но, несмотря на это компания, которая снабжает город теплом, подает в местные организации документы, в которых обосновывает увеличение тарифов. После этого проходит заседание городского совета, где принимается решение о принятии или отвержении новых цен.
Если организация согласилась с увеличением тарифов, то происходит перерасчет израсходованной теплоэнергии и утверждаются новые тарифы.
Как определить правильное ли количество тепла поступает в вашу квартиру? Расчет происходит исходя из климатических условий региона, материала крыши и стен, типа дома, а также износа коммунальных сетей и т.д. В результате чего получается то количество теплоэнергии, которое затрачивается на обогрев 1 кв.м. жилой площади в доме. Это число является нормативом. Единица измерения тепловой энергии принята Гкал/кв.м – гигакалория на квадратный метр.
Главным параметром при расчете тепла является средняя температура окружающего воздуха в зимний период. Если зимой не было слишком низких температур, то счет за отопление будет небольшой. Но, исходя из практики, такое бывает редко.
Как формируется платеж за тепло?
Потраченное тепло рассчитывается для жильцов за счет общей площади дома или квартиры, а не жилой. Тариф, который установлен для каждого региона, умножается на норматив потребления тепла в Гкал/кв.м. В результате чего получается стоимость затрат на отопление, которая выражена в руб./кв.м. После этого полученное число нужно еще раз умножить на общее число квадратных метров квартиры. Полученную сумму нужно оплатить. Именно это число вы должны увидеть в своей квитанции.
Во многих регионах страны установлены единые нормативы на отопление. Если в многоквартирном доме есть общедомовой счетчик, то расчет производится индивидуально. Полученное число можно существенно отличаться от установленных нормативов. В расчете имеют значение площадь каждой квартиры и показатели приборов учета тепла. В таком случае в оплату за отопление будет еще включаться часть расходов за теплоэнергию на дополнительные нужды дома. Например, обогрев тамбуров, подвалов и лестничных отсеков.
Действительный показатель наружной температуры воздуха в холодное время года может быть ниже или выше среднесуточной величины, которая учитывалась при расчете норматива потребления тепла. Поэтому ежегодно коммунальные службы производят перерасчет. Если жильцы переплатили за отопление, то лишняя сумма будет засчитана в следующие начисления. Но если температура на улице была ниже предполагаемой, то придется оплатить дополнительную сумму. Если в вашей квитанции появилось непонятное число, то всегда можно поинтересоваться у коммунальных служб. Возможно, вам просто начислили недостающую сумму за прошлый месяц. Такие нюансы относятся к дому, в котором нет счетчиков учета тепла.
В многоэтажных домах, где установлены счетчики тепла, влияет много факторов. Многие жильцы устанавливают в квартире дополнительные секции к батарее или же вовсе увеличивают число радиаторов. Некоторые утепляют лоджии и ставят дополнительные радиаторы на лоджии. Есть такие случаи, когда жильцы устраивают теплые водяные полы в квартире. За счет этого увеличиваются общедомовые затраты на отопление. В таком случае у кого-то в квартире будет теплее, а остальные жильцы обязаны платить за чужой комфорт. Ведь плата за отопление рассчитывается за счет общей площади квартиры, а не в зависимости от количества отопительных приборов.
Именно поэтому лучше установить счетчик потребление тепловой энергии и экономить свои денежные средства.
Комфортная температура в квартире
Норматив тепловой энергии напрямую зависит от комфортной температуры в квартире.
Рассмотрим примерные значения, при которых в помещение будет тепло:
- В жилой комнате комфортной температурой считается 20-22 градуса.
- В ванной комнате 24-26 градусов.
- В туалете нормальной температурой считается 19-21 градус.
- На кухне оптимально поддерживать от 19 до 21 градуса.
- В коридоре комфортная температура в пределах 18-20 градусов.
В зимнее время если вы чувствуете дискомфорт в квартире, то значит, ваш дом отапливается меньше, чем нужно. В таком случае вам нужно замерить температуру в каждой комнате. В том, что ваша квартира отапливается плохо, виноваты изношенные городские теплосети, но это не всегда так. В любом случае вам нужно обратиться в коммунальные службы и потребовать перерасчет оплаты за теплоэнергию. Кроме этого следует решить вопрос с увеличением температурного режима в вашей квартире. Сотрудники обязаны прийти к вам и замерить температуру, в случае отклонений от норм они обязаны принять меры.
От чего зависит оплата за теплоэнергию?
Рассчитывается норматив теплоэнергии в Гкал на 1 кв.м. общей площади квартиры многоквартирного дома или частного строения. Кроме этого учитываются и другие показатели:
- Общая площадь отапливаемого дома с учетом подключенных к отопительной системе построек.
- Общий расход тепловой энергии, который необходим для обогрева всего дома за все время отопительного сезона. Определяется значение при помощи индивидуального или общедомового счетчика тепла.
- Продолжительность отопительного сезона, в том числе неполные календарные месяцы.
Кроме этого в расчете учитываются среднесуточные температуры наружного и внутреннего воздуха в то время года, когда в домах включено отопление. В первом варианте в основу берут значение, которое указано в нормативах по оказанию коммунальных услуг. Во втором варианте учитываются средние данные за 5 предыдущих отопительных сезонов, которые предоставляет региональная гидрометеорологическая служба.
Еще основным параметром наружного воздуха является средняя минимальная температура. Рассчитывается она путем замеров пяти самых холодных дней зимы, которые расположены подряд.
В большей части России жилые дома отапливаются в течение 7-8 месяцев. Обычно централизованное отопление осуществляется с октября по апрель или же май. В первый и последний месяц обогрев помещения происходит части. Например, включить отопление могут 15 числа, и отключить 10. Кроме этого в другие дни месяца отопление считается по заниженному нормативу потребления. А стабильный норматив остается с ноября по март или апрель.
Начисляется оплата по двум вариантам:
- В самые холодные месяцы приходится оплачивать по максимальному тарифу, в то время как в первый и последний месяц оплата будет немного меньше. В теплое время года платежи отсутствуют или же являются минимальными;
- Тариф на теплоэнергию в течение года единый, то есть все значения усредняют. В таком случае потребитель будет оплачивать счета равномерно.
Как контролировать потребление теплоэнергии?
Если у вас установлены счетчики, то вы можете контролировать расход тепловой энергии. Таким образом, вы ежемесячно можете самостоятельно отслеживать количество потраченного тепла, которое ушло на обогрев квартиры. Потребители могут значительно экономить на коммунальных платежах. Существенная разница видна, если на радиаторах установлена регулирующая арматура.
Бывают такие случаи, когда в холодное время коммунальные службы не контролируют температурный режим теплоносителя и батареи греют больше, чем нужно. В таком случае в квартире очень жарко и приходится открывать форточки, чтобы выпустить лишние тепло. Кроме этого оплатить теплоэнергию придется полностью. Бывают и другие случаи, когда температура теплоносителя ниже требуемой. В таком случае приходится чувствовать себя некомфортно в большие морозы.
У жильцов, которые не установили счетчики тепла, не возникает желание экономить на коммунальных платежах за теплоэнергию. Они не видят смысла в утеплении стен или окон.
Если в квартире установлен счетчик индивидуального учета тепла, то вы самостоятельно можете регулировать температуру теплоносителя и настраивать комфортную температуру в квартире. В таком случае жильцы относятся более бережно к расходу тепла. Кроме этого они заинтересованы в утеплении проемов и стен. А платить за теплоснабжение придется намного меньше. Для оплаты нужно лишь снять показания со счетчика и умножить на тариф.
Расчет оплаты за теплоэнергию

Для того чтобы рассчитать оплату за теплоснабжение, необходимо воспользоваться одним из трех вариантов. Все зависит от наличия или отсутствия счетчика тепла.
Рассмотрим подробно 3 варианта:
- Есть общедомовой счетчик, но нет индивидуального прибора в квартире. Управляющая организация проверяет показания общедомового счетчика. Например, в месяц было затрачено 250 гигакалорий. Данное число нужно найти в квитанции. Затем узнать общую площадь дома с учетом всех магазинов и пр. Например, число составило 7000 кв.м. После этого нужно уточнить тариф на теплоэнергию. Например, он составляет 1400 рублей за 1 Гкал. Таким образом, можно рассчитать индивидуальную оплату за вашу квартиру. Если ваша площадь равна 75 кв.м., то расчет будет следующим: 250х75. Затем полученный результат необходимо разделить на 7000х1400. В результате получаем 3750 рублей. Такое число должно быть указано в вашей квитанции.
- В доме нет общедомового счетчика, и в квартире отсутствует индивидуальный прибор. В таком случае нужно произвести расчет с учетом норм отопления. Например, за квадратный метр составляет 0,25 Гкал. Это число нужно умножить на площадь отапливаемого помещения, а затем на тариф, который установлен в вашем городе. Кроме этого стоит учесть оплату за общедомовую энергию по нормативу, которая делится на всех собственником в полном объеме.
- В доме установлен общедомовой счетчик и в квартире есть индивидуальный прибор. Такой вариант считается самым экономным и точным. Вы будете платить за потраченное тепло в вашей квартире, а не за общие цифры норматива на отопление. Итоговая цифра получается в результате сложения тепла в квартире и значения общедомового счетчика, которое разделено на всех жильцов. Часто можно услышать, что нормы потребления тепловой энергии на отопление значительно завышены. Кроме этого большая часть ее расходуется в никуда. Именно поэтому все больше жильцов начинают устанавливать индивидуальные счетчики расхода тепла. Таким образом, они смогут платить только за то тепло, которое было потрачено на отопление их квартиры.
Но при установке счетчика тепла нужно учесть следующее: есть несколько схем подачи горячего водоснабжения и теплоэнергии. Поэтому в первую очередь нужно узнать у независимого эксперта схему подачи перед установкой прибора. Если счетчик установить неверно, то вы будете переплачивать за тепло, а не экономить.
Система отопления многоквартирного дома: трубы, требования, нормы
Системы отопления в жилых зданиях должны проектироваться и устраиваться с расчетом на обеспечение в помещениях значений температуры воздуха в пределах параметров, установленных действующими стандартами. Порядок отнесения многоквартирного дома к району строительства, рекомендуемые нормы микроклимата, а также процесс разработки проекта, монтажа и ввода в эксплуатацию строго регламентированы на законодательном уровне.
Основные требования к устройству отопления многоквартирного дома
Общие сведенья о том, как устроено отопление в многоквартирном доме, указаны в СП 54.13330.2016 (актуализированный СП 54.13330.2016). Свод правил объясняет нюансы проектирования и устройства инженерных сетей, включая обогрев, в новых и реконструируемых жилых зданиях с большим количеством квартир высотой до 75 м. Согласно ему, система отопления должна обеспечивать в помещениях комфортную температуру для людей на период зимы и межсезонья.
Допустимые и рекомендуемые значения температуры внутреннего и наружного воздуха указаны в СП 60.13330.2012. Этот свод правил устанавливает нормы проектирования внутренних отопительных систем в реконструируемых, модернизируемых, новых и ремонтируемых зданиях всех типов, кроме сооружений гражданской обороны и специальных установок.
Отопление в многоквартирном доме должно соответствовать нормам и правилам, указанным в следующих стандартах:
- СП 334.1325800.2017;
- СП 73.13330.2016;
- СП 7.13130.2013;
- СанПиН 2.1.2.2645-10;
- СП 41-101-95;
- СП 347.1325800.2017;
- ГОСТ 30494-2011.
Ряд требований к оборудованию жилых многоквартирных домов предъявляют нормативные документы, действующие на территории отдельных городов. На примере Москвы это МГСН 3.01- 1 Согласно ему в домах должны предусматриваться отопительные системы, которые рассчитаны на экономичное расходование тепловой энергии, при этом не противоречат правилам других стандартов.
В целях достижения оптимальных технико-экономических и эксплуатационных характеристик многоквартирного здания системы отопления должны:
- соответствовать нормам пожарной безопасности;
- прокладываться при использовании горизонтальной поквартирной разводки (для новых и
- реконструируемых зданий);
- подключаться к источникам тепловой энергии через тепловые пункты (ТП);
- обеспечивать допустимые условия микроклимата с равномерным нагреванием воздуха в
- помещениях в течение всего отопительного периода;
- быть ремонтопригодными, доступными к обслуживанию и уборке;
- удовлетворять требованиям по шумо- и виброизоляции.
Оптимальные и допустимые нормы температуры на холодный (отапливаемый) период в отдельных типах помещений в многоквартирных домах установлены ГОСТ 30494-2011:
- жилые комнаты 20-22°С (в районах с понижением температуры до -31°С и больше 21- 23°С);
- кухни и туалеты 19-21°С;
- ванные комнаты и совмещенные санузлы 24-26°С;
- зоны отдыха 20-22°С;
- коридоры между квартирами 18-20°С;
- лестничные клетки 16-18°С.
Отопление многоквартирного дома должно удовлетворять нормативам, указанным в соответствующих СП, СанПиН и ГОСТ. Проектирование, устройство или эксплуатация систем в обход правил является серьезным административным правонарушением. Определенные в ходе расследования виновные лица обязаны выплатить штраф, соизмеримый с тяжестью нарушения.
Проектирование систем отопления многоквартирных домов
Порядок разработки проекта системы обогрева в новом или реконструируемом (ремонтируемом) здании представлен в СП 60.13330.2016 и СП 334.1325800.2017, частично затронут в СП 41-101-95 и СП 54.13330.2016. На основании указанных правил определяют ключевые нюансы будущих отопительных сетей:

- способы разводки трубопроводов;
- типы разрешенных к использованию материалов, труб, фитингов;
- рекомендуемые и оптимальные температурные режимы для помещений разной
- функциональности;
- варианты подключения системы к источнику тепловой энергии;
- методики вычисления тепловых потребностей здания, расчетных поступлений и потерь
- теплоты;
- способы обеспечения стабильности теплоснабжения путем внедрения специальных
- технических решений.
После сбора данных происходит анализ технического задания от заказчика. Документ содержит всю информацию о существующих условиях на объекте или же включает сведения о запланированных результатах работы отопления.
С учетом технического задания заказчика и первичных данных осуществляется:
- разработка эскиза;
- подготовка обоснования внедрения решений с экономической и технической точки
- зрения;
- расчет нормируемых параметров сети обогрева;
- создание монтажной схемы (чертежа);
- поиск и составление спецификаций на материалы, приборы и трубы.
В последнее время многоквартирные жилые дома начали оснащаться современными отопительными системами, в основе которых лежат трубопроводы из модифицированного полипропилена (PPR). Тенденция обусловлена повышенными требованиями к энергоэффективности обогрева в жилых зданиях.
После утверждения всех документов проектирование сети считается завершенным. Прокладку коммуникаций производят по монтажной схеме. Она содержит детальную информацию о всех параметрах системы отопления: тип циркуляции теплоносителя, метод разводки, места расположения стояков, типоразмеры и количество труб, фитингов и приборов. Благодаря монтажному чертежу после окончания основных работ подбивают суммарные расходы (составляют смету).
